Electric Heaters and Elements > Tank Heaters > Fluoropolymer (PTFE) Single-Element L-Shaped Round Heater (TMT04)

Fluoropolymer (PTFE) Single-Element L-Shaped Round Heater (TMT04)

(PTFE) 1-Element L-Shaped Round Heater Compatible with most plating tank solutions; inert to acids, anodizing and pickling solutions up to 190°F (88°C). and with chemical supplier for proper sheath material selection. Replaces more expensive alumina or graphite heaters.
  • T1 thermal fuse protection standard; T2 bi-metal switch optional
  • Grounded internal metal element for safety
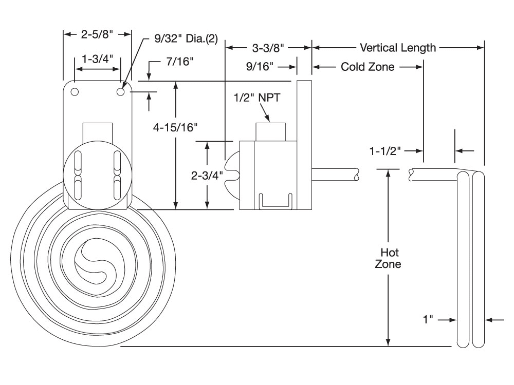
  • Vapor-tight polypropylene terminal enclosure with universal mounting flange
  • Standard 3-ft. flexible PVC liquid-tight conduit
  • 120, 240, 480 volts standard as listed — other voltages available
  • Longer and shorter vertical lengths available; consult Tempco

Note: Guards are recommended for all fluoropolymer heaters. Standard guards are made of polypropylene. Fluoropolymer (PTFE) guards are available for chromic acid and temperatures above 180°F (82°C).