Mightyband™ Coil Heaters

The heating source for the Mightyband heater is a resistance wire in straight form or wound into a miniature helical coil. The swaging and drawing process involved in manufacturing the heater cable for Mightyband heaters compacts the ceramic insulators that house the heating element and thermocouple wire into a solid mass, producing a rugged and durable heater cable, providing excellent thermal conductivity and dielectric strength and quick thermocouple response.

Refine Results

(6 filters)

Cable Type

📦

Round Cable

Heating element is embedded in MgO insulation inside a round tube.

📦

Square Cable

Heating element is embedded in MgO insulation inside a square tube. Because of the flat surface, in some applications square cable allows better heat conduction and a faster start-up time.

📦

Rectangular Cable

Heating element is embedded in MgO insulation inside a square tube. Because of the flat surface, in some applications rectangular cable allows better heat conduction and a faster start-up time.

Standard Configurations

Clamping Straps

Mightybands normally do not require clamping straps as the inside diameter of the coil is wound undersize for a screw fit. At times because of differences in the expansion and contraction in materials a clamping strap may be required to ensure circumferential clamping forces. Clamping straps also provide additional protection of the heater coils from accidental damage. If optional clamping strap is required, specify.

Close Wound Coil

Tightly wound heating element

Distributed Wattage

By specifically arranging a coiling pattern on the heater cable, heat distribution can be concentrated where it is needed. Useful to compensate for heat losses along the edges of the part being heated. Specify concentration.

Electrical Terminations

Type A: Stainless Steel Armor Cable

Type A1 – Rated to 482°F (250°C) – TGGT Fiberglass Wire

Type A2 – Rated to 450°F (232°C) – Teflon® Wire

Type A3 – Rated to 842°F (450°C) – MGT Fiberglass Wire Flexible SS armor cable protects the leads against abrasion and contamination. Special plugs can be attached to heater leads and thermocouple leads.

Type B: Stainless Steel Overbraid

Type B1 – Rated to 482°F (250°C) – TGGT Fiberlgass Wire

Type B2 – Rated to 450°F (232°C) – Teflon® Wire

Type B3 – Rated to 842°F (450°C) – MGT Fiberlgass Wire SS overbraid protects the leads against abrasion and allows more aggressive bending, which is not possible with armor cable. Special plugs can be attached to heater and thermocouple leads.

Type C: Galvanized Armor Cable

Type C1 – Rated to 482°F (250°C) – TGGT Fiberlgass Wire

Type C2 – Rated to 450°F (232°C) – Teflon® Wire

Type C3 – Rated to 842°F (450°C) – MGT Fiberglass Wire Flexible galvanized armor cable protects the leads against abrasion and contamination. Special plugs can be attached to heater leads and thermocouple leads.

Type M: Plain Leads

Standard

M1 – High temperature cement potting with TGGT (Teflon® tape, fiberglass, Teflon® treated fiberglass overbraid) insulated lead wire for 482°F (250°C) and silicone sealed is standard.

Optional

M2 – High temperature epoxy potting rated 450°F (232°C) with PTFE Teflon® lead wire for a better moisture seal.

M3 – High temperature cement potting with MGT (mica tape, Teflon® treated fiberglass overbraid) insulated lead wire for 842°F (450°C) and silicone sealed.

Type S: Fiberglass Sleeve

Type S1 – Rated to 482°F (250°C) – TGGT Fiberglass Wire

Type S2 – Rated to 450°F (232°C) – Teflon® Wire

Type S3 – Rated to 842°F (450°C) – MGT Fiberglass Wire Fiberglass sleeve protects the leads against abrasion and allows more flexibility of lead wires. Special plugs can be attached to heater and thermocouple leads.

Lead Orientations

Type LO1

Standard: Parallel to Coil (LO1)

Type LO2

Parallel to coil centerline (LO2)

Type LO3

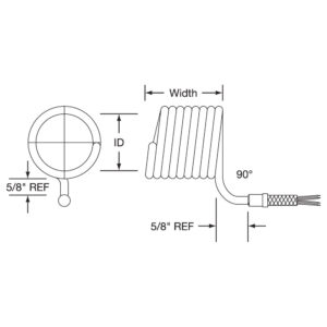
90º to Coil (LO3)

Type LO4

Parallel to coil centerline of width (LO4)

Type LO5

45º to Coil (LO5)

Type LO6

90º to Coil centerline (LO6)

Thermocouple Calibration

📦

Type J

Built-In Type J Thermocouple

📦

Type K

Built-In Type K Thermocouple

📦

None

No Thermocouple needed

Additional Options

Explosion or Moisture Resistant Box

Mightyband coil heaters can be used for immersion heating and/or in-line heating of liquids, gases or air. The built-in thermocouple provides a self-contained heating unit, eliminating the need for separate thermowells, and is available with standard NPT or special fittings. The outside diameter (O.D.) of the coil must be smaller than the fitting being used for proper fit to the mating part. The wiring can be protected from hazardous environments by attaching explosion or moisture-proof boxes. Consult Tempco with your requirements.

NPT Pipe Fittings

Mightyband coil heaters can be used for immersion heating and/or in-line heating of liquids, gases or air. The built-in thermocouple provides a self-contained heating unit, eliminating the need for separate thermowells. Available with standard NPT fittings or special fittings. The outside diameter (O.D.) of the coil must be smaller than the fitting being used for proper fit to the mating part. Consult Tempco with your requirements.

Star Wound Coil

Star wound formations are usually inserted into pipes or ducts and are used to heat moving air or liquids. The offset coils create a turbulent flow. This allows the flowing material to have better contact with the heater surface, resulting in more efficient heat transfer.

Type ND – Neck Down

The availability of heaters with optional cold heater cable end depends on the electrical ratings and materials used for each heater design. Consult Tempco for the availability of these options.

Type NW – Built-In Cold Wire

The availability of heaters with optional cold heater cable end depends on the electrical ratings and materials used for each heater design. Consult Tempco for the availability of these options.